一、用途 卫生级隔膜阀专用于控制制药、饮用食类介质的各类管路或设备上作启闭及节流用。 适用温度:≤120℃、≤150℃(按照隔膜材料) 压力等级:PN(MPa) 0.6 1.0 1.6
二、材料: 阀体:不锈钢 阀盖:不锈钢 阀瓣:不锈钢 食品级隔膜:无毒橡胶 阀杆:不锈钢 手轮:铸铁、不锈钢
三、测试: 衬里层:电火花检测 试验与检验按BS6755标准 公称压力:PN(MPa) 阀体:PN×1.5 密封:PN×1.1
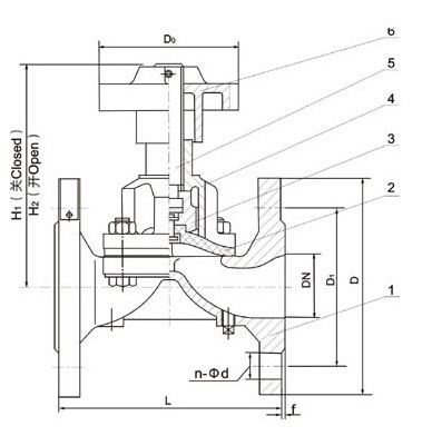
四、结构图:
五、主要外形尺寸:
DN
公称压力 MPa
工作压力 MPa
L
D
D1
n-Фd
f
H1
H2
D0
质量
Kg
15
1.6
108
95
65
4-14
2
84
92
66
20
117
105
75
93
3
25
127
115
85
100
112
4
32
146
140
4-18
144
96
6.5
40
159
150
110
136
156
7.5
50
190
165
125
151
177
10.5
1.0
216
185
145
183
213
17.5
80
254
200
160
8-18
230
25.5
305
220
180
242
285
280
36
356
250
210
348
47.5
406
240
8-22
353
431
368
74
0.6
521
340
295
445
537
483
143
订货须知: 1、订货前请认真了解本产品,清楚标明规格、型号、材质、压力、数量。 2、当使用的场合非常重要或环境比较复杂时,请您尽量提供设计图纸和详细参数,由草莓视频色版APP的草莓视频色版APP阀门专家为您审核把关。 3、订购该产品时,请详细填明订货单位,收货单位,付款单位的名称,通讯地址(包括所在省、市、地、区县、街、号)。 4、订购所有本公司产品均实行现款提货或款到发货。
验货(卸货)须知: 1、仔细对照与 订购时的产品【卫生级隔膜阀】是否一样,及包装箱有没有破损等。 2、选用适合的方式和工具,防止产品变形或损坏;我公司十分注重服务问题,为了达到用户满意的产品标准草莓视频色版APP必须同客户肩并肩地分享经验、信息、承诺、目标,以合作关系开发优秀产品。无论您询问产品设计原理、价格、工艺、进度、运输路线等任何问题,都有专一的客户服务人员为您解答。
友情链接: 电缆故障测试仪 电缆故障测试仪 超声波水表 电子万能试验机 热油泵 臭气处理设备 上海仪表公司 冷热冲击试验机 管式炉 滴灌管 等离子清洗机 上海自动化仪表四厂 veneer stitching machine Lacquer sanding machine Brush sanding machine
浙公网安备 33032402001914号